Использую дома антенну-луч (около 40 метров), Т-тюнер работает с ней, но меня всегда удивляло, почему я использую для настройки только переключение катушки и ёмкость со стороны трансивера, а ёмкость со стороны антенны (нагрузки) почти не влияет на настройку!?
Если посмотреть на программе SimSmith 14.14 (от AE6TY), то это вполне возможная ситуация. Я рассмотрел несколько гипотетических импедансов, возможных для антенны-луча. Частота анализа принята 7 МГц (влияет на номиналы реактивностей в тюнере)Можно считать, что в данном примере LC тюнер обеспечивает точное согласование только при одном варианте индуктивности, а Т-тюнер - на интервале от 4 до 6 мкГн! Похожая ситуация для случая отрицательной реактивности нагрузки Z=500-j500
Третий случай, низкий импеданс c реактивностью Z=25+j500, что-то из области "экзотических" антенн
В примере показана настройка с L=2 мкГн, Са=35.1 пФ, Ст=114.7 пФ, КСВ=1.008 (точная настройка)
Допустим, у нас в катушке нет 2 мкГн, а есть 1 мкГн, тогда в лучшем случае при Са=41.7 пФ, Ст=500 пФ, КСВ=1.52 (нет точной настройки)
Допустим, у нас в катушке нет 2 мкГн, а есть 3 мкГн, тогда в лучшем случае при Са=31.3 пФ, Ст=75 пФ, КСВ=1.01 (точная настройка)
Я привожу здесь значения ёмкости Са с точностью одна десятая, т.к. настройка очень острая!
Теперь заменим Т тюнер на его половинку - Г звено (LC), ФВЧ, емкость со стороны нагрузки (антенны).
Решение: L=1.15 мкГн, Сa=43.3 пФ, КСВ=1.006
Допустим, у нас в катушке нет 1.15 мкГн, а есть 1 мкГн, тогда Сa=43.27 пФ, КСВ=1.16
Допустим, у нас в катушке нет 1.15 мкГн, а есть 1.5 мкГн, тогда Сa=43.3 пФ, КСВ=1.259
Допустим, у нас в катушке нет 1.15 мкГн, а есть 0.75 мкГн, тогда Сa=43.47 пФ, КСВ=1.665
Здесь точное значение емкости, почти не изменяется, и его изменение никак не улучшает ситуацию, при отклонении значения индуктивности от единственно правильного.
Четвертый случай, низкий импеданс c реактивностью Z=25-j500, что-то из области укороченных антенн
Решение: L=1.07 мкГн, Сa=453 пФ, Cт=32, КСВ=1.005. Половинка такого тюнера, ни правая ни левая не может согласовать данный импеданс! Подойдет либо левая часть с двумя индуктивностями (10.8 мкГн последовательно, 1.1 мкГн параллельно), либо потребуется схема ФНЧ (со стороны трансивера Ст=454.7 пФ, L последовательно = 11.94 мкГн)Выводы:
1) В области высоких импедансов Т тюнер работает подобно LC тюнеру. Точность настройки определяется значением индуктивности (её дискретом).
2) В области средних и низких импедансов, Т тюнер может обеспечить более точную настройку, в некотором интервале индуктивностей.
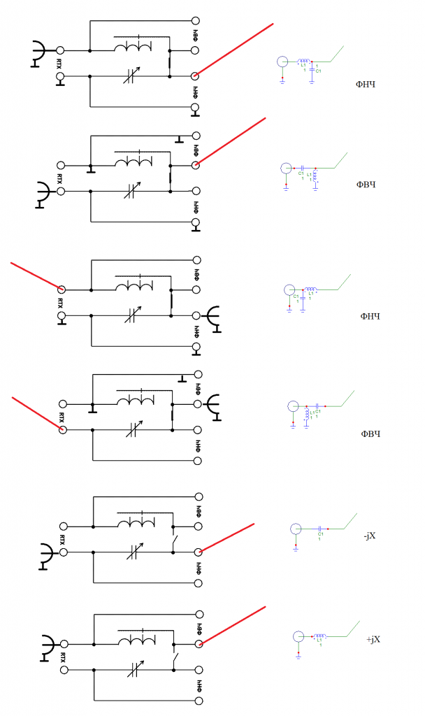
3) Как правило Г-звено имеет переброс ёмкости относительно концов катушки (или катушки относительно концов емкости), но не имеет более сложного переворота ФНЧ-ФВЧ. Единственный вариант тюнера, способного на это видел у Владислава RM4HQ:
https://radio-wave.ru/forum/entry.php?588-Эксперименты-с-полевой-антенной-и-СУПоэтому в большинстве случаев Т-тюнер может согласовать недоступное выбранной топологии (ФНЧ/ФВЧ Г-звено) - Z
Материал подготовил: Лавриненков Игорь / R2AJA
Для связи с автором есть почта: R2AJA at MAIL RU










































.jpeg)

.jpeg)
.jpeg)
.jpeg)
.jpeg)
.jpeg)


.jpeg)
.jpeg)